
产品简介
应变部采用新颖的圆柱式结构,强度高且具有良好的抗偏抗扭性能;外壳密封可靠,耐腐蚀,抗冲击,可在各种恶劣工况下长期稳定工作。不改变原有结构,可方便替换各类轴销。
量程范围: 10,15,20
准确度等级:0.3
技术指标
|
技术参数 |
单位 |
技术指标 |
|
输出灵敏系数 |
mV/V |
1±0.1 |
|
非线性 |
% F.S |
0.5 |
|
重复性 |
% F.S |
0.1 |
|
滞后 |
% F.S |
0.5 |
|
蠕变 (30分钟) |
% F.S |
0.3 |
|
零点输出 |
% F.S |
±1 |
|
零点温漂 |
% F.S /10℃ |
0.1 |
|
灵敏系数温漂 |
% F.S /10℃ |
0.1 |
|
温度补偿范围 |
℃ |
-10 ~ +55 |
|
安全温度范围 |
℃ |
-20 ~ +70 |
|
输出阻抗 |
Ω |
350±3 |
|
输入阻抗 |
Ω |
350±5 |
|
绝缘电阻 |
MΩ |
>5000 |
|
推荐激励电压 |
V DC/AC |
10 |
|
最大激励电压 |
V DC/AC |
16 |
|
安全过载 |
% F.S |
150 |
|
极限过载 |
% F.S |
300 |
|
电缆长度 |
m(四芯屏蔽电缆) |
6(也可按用户要求加工) |
电缆接线标识
红——输入(+);黑/兰——输入(-);绿——输出(+);白——输出(-)。
其他说明:可按用户要求量程和外形尺寸供货。
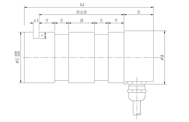
外形安装尺寸
尺寸参数:按用户轴销尺寸加工。

|