
产品简介
弹性体采用板环结构,多层灌胶密封。上下弧孔与测力结构连接时具有自动对心功能。对连接条件无特殊要求,可简单应用在各种拉伸负载的测力场合。
量程范围:2,5,10
准确度等级:0.1
技术指标
|
技术参数 |
单位 |
技术指标 |
|
输出灵敏系数 |
mV/V |
1.5±0.02 |
|
非线性 |
% F.S |
0.1 |
|
重复性 |
% F.S |
0.05 |
|
滞后 |
% F.S |
0.1 |
|
蠕变 (30分钟) |
% F.S |
0.05 |
|
零点输出 |
% F.S |
±1 |
|
零点温漂 |
% F.S /10℃ |
0.05 |
|
灵敏系数温漂 |
% F.S /10℃ |
0.05 |
|
温度补偿范围 |
℃ |
-10 ~ +55 |
|
安全温度范围 |
℃ |
-20 ~ +70 |
|
输出阻抗 |
Ω |
350±3 |
|
输入阻抗 |
Ω |
400±20 |
|
绝缘电阻 |
MΩ |
>5000 |
|
推荐激励电压 |
V DC/AC |
10 |
|
最大激励电压 |
V DC/AC |
16 |
|
安全过载 |
% F.S |
150 |
|
极限过载 |
% F.S |
300 |
|
电缆长度 |
m(四芯屏蔽电缆) |
6(也可按用户要求加工) |
电缆接线标识
红——输入(+);黑——输入(-);绿——输出(+);白——输出(-)。
其他说明:可按用户要求量程和外形尺寸供货。
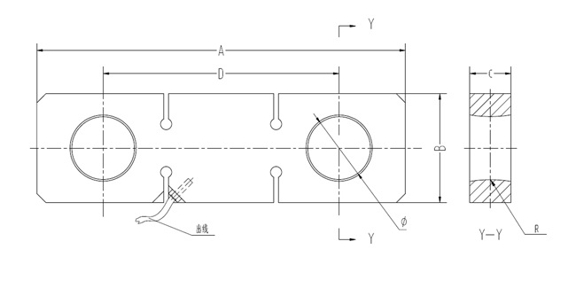
外形安装尺寸
尺寸参数:
|
|
A |
B |
C |
D |
φ |
R |
|
10t |
322 |
95 |
36 |
206 |
55 |
110 |
|
5t |
230 |
70 |
28 |
150 |
40 |
120 |
|
2t |
195 |
60 |
20 |
145 |
25 |
115 |

|